FEATURES
? Superfast recovery times-epitaxial construction.
? Low forward voltage, high current capability.
? Low leakage.
? High surge capability.
? Lead free in compliance with EU RoHS
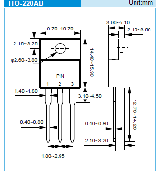
All Products >> SUPERFAST >>MUR1605FCT-MUR1660FCT
- All Products
- 0.5W
- 1W
- 1.3W
- 1.5W
- Bridge
- DIAC DIODES
- ESD
- FAST
- Glass Axial
- Glass Melf
- Glass passivated Junction
- TVS
- High Voltage
- FAST RECOVERY
- GENERAL
- High Efficient Recovery
- Micro MELF
- Mini Melf
- MOSFET
- normal
- Standard Recovery Rectifiers
- Standard Diode
- SILICON ZENER DIODES
- Small signal
- SUPERFAST
- SWITCHING DIODES
- RECTIFIER DIODES
- PLASTIC RECTIFIER
- SCHOTTKY
- SCHOTTKY BARRIER DIODES
- Quadro MELF
- Transistor
- ULTRAFAST
- ZENER DIODES
Product Details
by Jiluguan ? All rights reserved
蘇ICP備16015530號(hào)-1
